熱門資訊

- 
                  
                        
電動自行車用戶必看 | 如何預防電動自行車鋰電池火災?
2021年5月以來,我國多個城市已出臺地方性規定,進一步對電動自行車鋰電池在樓道... [詳情] 
今天小編推送的純粹說鋰電池保護板,直入主題,干貨供大家了解與分享
	
 
鋰電池保護板的工作原理
電池能正常工作,很大程度上得益于保護板,因此保護板也有電池保護神之稱;今天世豹帶您探討電池保護板的工作原理。
鋰電池(可充型)之所以需要保護,是由它本身特性決定的。由于鋰電池本身的材料決定了它不能被過充、過放、過流、短路及超高溫充放電,因此鋰電池鋰電組件總會跟著一塊精致的保護板和一片電流保險器出現。
	
 
(世豹普通保護板BMS類)
保護板的構成
鋰電池的保護功能通常由保護電路板和PTC協同完成,保護板是由電子電路組成,在-40℃至+85℃的環境下時刻準確的監視電芯的電壓和充放回路的電流,即時控制電流回路的通斷;PTC在高溫環境下防止電池發生惡劣的損壞。
保護板通常包括控制IC、MOS開關、電阻、電容及輔助器件NTC、ID存儲器等。其中控制IC,在一切正常的情況下控制MOS開關導通,使電芯與外電路溝通,而當電芯電壓或回路電流超過規定值時,它立刻(數十毫秒)控制MOS開關關斷,保護電芯的安全。
NTC是Negative temperaturecoefficient的縮寫,意即負溫度系數,在環境溫度升高時,其阻值降低,使用電設備或充電設備及時反應、控制內部中斷而停止充放電。ID 存儲器常為單線接口存儲器,ID是Identification 的縮寫即身份識別的意思,存儲電池種類、生產日期等信息。可起到產品的可追溯和應用的限制。
	
(世豹普通保護板BMS類)
保護板的主要應用
一般要求在-25℃~85℃時Control(IC)檢測控制電芯電壓與充放電回路的工作電流、電壓,在通常的情況下C-MOS開關管導通,使電芯與保護電路板處于正常工作狀態,而當電芯電壓或回路中的工作電流超過控制IC中比較電路預設值時,在15~30ms內(不同控制IC與C-MOS有不同的響應時間),將CMOS關斷,即關閉電芯放電或充電回路,以保證使用者與電芯的安全。
	
 
(世豹動力保護板BMS類)
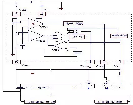
保護板的工作原理
	
 
如圖中,IC由電芯供電,電壓在2v-5v均能保證可靠工作。
1、過充保護及過充保護恢復
當電池被充電使電壓超過設定值VC(4.25-4.35V,具體過充保護電壓取決于IC)后,VD1翻轉使Cout變為低電平,T1截止,充電停止.當電池電壓回落至VCR(3.8-4.1V,具體過充保護恢復電壓取決于IC)時,Cout變為高電平,T1導通充電繼續, VCR必須小于VC一個定值,以防止頻繁跳變。
	
	
 
	
2、過放保護及過放保護恢復
當電池電壓因放電而降低至設定值VD(2.3-2.5V,具體過充保護電壓取決于IC)時, VD2翻轉,以短時間延時后,使Dout變為低電平,T2截止,放電停止,當電池被置于充電時,內部或門被翻轉而使T2再次導通為下次放電作好準備。
3、過流、短路保護
當電路充放回路電流超過設定值或被短路時,短路檢測電路動作,使MOS管關斷,電流截止。
	
世豹電池保護板優勢
本文標簽:世豹電池保護板 鋰電池和鉛酸電池,哪一種更適合?航拍無人機的芯臟,默默奉獻的能量世豹電池保護板應用于鋰離子電池產品,如3C產品,電動工具,掃地機器人,儲能產品,基站等產品;
① 高端核心技術,世豹電池和BMS管理系統均采購進口松下,三星,三洋,索尼和TI,Seiko方案等高端進口原部件,產品安全可靠性高。
② 充電器自主研發,與其他鋰電池廠家不同的是,世豹一直致力于為客戶提供一站式鋰電池整體解決方案(包括電池充電器,插頭,BMS,PCM等)與世豹鋰電池產品配套使用,更加安全省心。
③鋰電池優勢:容量高、體積小、重量輕、動力強、續航遠、綠色環保。
④ 六重安全保護:溫度保護、短路保護、過充電保護、過放電保護、過流保護、電池均衡。
⑤產品售后服務,凡在世豹購買的產品都享有相應期限的保修服務,秉著顧客第一,服務至上的理念,致力打造行業第一品牌。
⑥全球保險,世豹公司為旗下所有產品購買了全球保險,保障產品質量安全可靠,更能讓客戶放心使用。品質值得信賴。
世豹從事鋰離子電池系統研發、生產,致力于為客戶提供技術領先、質量可靠的鋰離子電源系統解決方案多年。專業團隊、豐富行業經驗、先進設備可針對客戶的要求,對系統的各個組成展開精確的分析,依托自身的專業知識進行嚴謹的設計開發、制造、質量保證和技術服務!如果您想對我們的產品感興趣,請致電我們24小時客服熱線:18022158226






世豹公眾號